We know some products may seem confusing so, We're here to help!
Description
About Accurate Lock & Hardware
Accurate Lock and Hardware fuses old-world craftsmanship with modern technology to create architectural hardware products of uncompromising quality. Our team of experts have created an extensive range of products for the entire door including custom solutions for high end residences, commercial buildings, institutional facilities, and important landmarks such as the White House, Ellis Island, and state capitols. Since 1972, we have operated under one guiding principle: if you can dream it, we can make it. From concept to manufacturing, all Accurate products are proudly made entirely in the USA
Specification
- UL Listed 3 Hour (R13846 and R27504).
- Grade 1 certified to ANSI/BHMA A156.13.2005 standard – exceeding 5 million cycles at an independent third-party test facility.
- For use with levers, knobs, thumb grips, and ligature resistant handles.
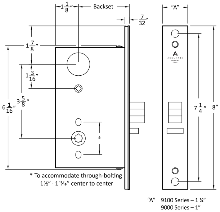
- 2-1/2", 2-3/4", 3-3/4", 5", 6" backsets standard.
- Security deadbolt with hardened steel insert.
- Custom fitted for use with most manufacturers’ sectional rose trim.
- The lock choice amongst OEM manufacturers.
- Available with rabbeted fronts and strikes.
- Available for upside down, European style installation.
- Electromechanical (M9100E) and smart versions available (SM9159E).
- Available as part of RMS Rapid Make + Ship Program, ships in a 3 days or less.
- 9000 Series comes standard with a 1" wide faceplate
- 9100 Series comes standard with a 1 1/4" wide faceplate

- BACKSET: 2 -1/2”, 2-3/4 ”, 3-3/4”, 5”, 6”
- CASE: heavy gauge, plated steel (15/16” thick)
- ARMOR FRONT: Adjustable bevel brass, bronze or stainless steel
- LATCH BOLT: Brass anti-friction type, 3/4” throw (solid latch bolt available as special order)
- DEADBOLT: Brass with a hardened steel insert, 1” throw
- STRIKE: 4-7/8” ASA
- HUBS: Available in different sizes to be compatible with various trim
- THUMB TURN HUB: 3/16” (5mm) on the diamond. (Specialty 6mm square hub or 5mm square hub available as special order (in most functions)
- DUST BOX: Brass, stainless steel or US10B
Trim Guide
Lock Body Only – All Other Trims & Cylinders Sold Separately
This product includes the lock body only and can be custom configured to fit specific trim sizes from most major manufacturers.
To ensure proper customization, please provide the following:
-
The trim/cylinder you plan to use (include hub size, brand, manufacturer, spindle size, etc.)
-
The desired configuration type (for example: L×L, K×K, K×L, TP×K, TP×L, or TP×TP)
You may refer to the product specifications or visit Accurate’s website for a full list of available trim and cylinder options. Once reviewed, please list the exact Accurate trims you wish to use.
For additional assistance, feel free to Contact Us.
Handing

Resource
UL Listing Certification Canada
Installation
T-ALH.9000.LL
T-ALH.9000.TL
T-ALH.9000.TT
T-ALH.9000.DB
T-ALH.9000USD
T-ALH.9100.LL
T-ALH.9100.TL
T-ALH.9100.TT
T-ALH.9100.DB
T-ALH.9100USD
We know some products may seem confusing so, We're here to help!
Payment & Security
Your payment information is handled with the highest level of security protocols to ensure confidentiality and integrity. We do not retain or access credit card details, reinforcing our commitment to safeguarding your sensitive information in accordance with industry standards.
Welcome to Apex Hardware NY!
We're a small business that takes pride in our close partnerships with a diverse network of suppliers. These relationships help us maintain a robust inventory and ensure your orders are processed smoothly. While we make every effort to keep a wide range of products in stock, there are times when we rely on external suppliers, which can occasionally lead to shortages.
We stay diligent about keeping our inventory updated, but delays can still happen from time to time. Before making a purchase, feel free to Contact Us to verify availability. In the event of a stock issue or extended lead time after an order is placed, we will reach out with an update as soon as possible. Your patience and understanding mean a lot to us as we continue working hard to provide you with the best possible shopping experience!
California Proposition 65 Warning
WARNING:
Some products available on our website may contain chemicals known to the State of California to cause cancer, birth defects, or other reproductive harm, pursuant to California’s Proposition 65 (formally known as the Safe Drinking Water and Toxic Enforcement Act of 1986).
We offer products from a variety of manufacturers. Due to the nature of sourcing and product composition, the presence of Proposition 65-listed chemicals in individual products may not always be fully disclosed.
For more information about the specific chemicals potentially present in a given product, please refer to the product’s labeling and/or contact the product’s manufacturer directly. We strongly encourage customers to review product packaging, materials, and safety information, as they are responsible for reviewing all available product and safety information prior to use.
To learn more about Proposition 65, including a full list of listed chemicals and additional resources, please visit the official website: www.P65Warnings.ca.gov



